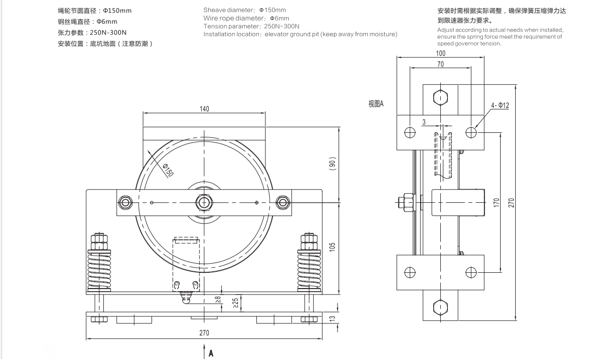
Elevator OX-100B Tension Device

Elevator OX-100B Tension Device
Part no:OX-100B 
Category :
0
Inquire for more cooperation or product information.
We will contact you within 1 working day, please check your email.
Name
Mail
Mobile phone
Message
Send

Tongda

We reply immediately
Welcome to our website. Ask us anything 🎉

Start Chat with: